电梯安全吗? 经常听到"好吓人! 刚刚电梯从18楼掉下来了!" ,"刚刚电梯卡到半空中了!" 类似的话语. 我们每天都在乘坐的电梯真的安全吗?
其实电梯制造企业在设计电梯是已经是用尽了各种安全手段, 现在的电梯已经很安全了, 虽然生活中经常遇到各种电梯故障, 但不用怕, 电梯内的安全装置非常多, 通常电梯发生故障就出发电梯安全部件运作, 电梯一般会停止运行来保护乘客生命安全. 这就是为什么电梯会"卡住了" .
易联电梯装饰小编就带大家了解一下电梯的结构和安全防护相关知识, 了解之后小伙伴们再也不怕困电梯了,等待救援就好了.
小心! 内容有点专业.
一、什么是电梯?

电梯就是用电力驱动,利用沿刚性导轨运行的箱体或者沿固定线路运行的梯级(踏板或阶梯)进行升降或平行送人、运输物体的机电设备。世界上第一台电梯由美国人奥的斯发明。
二、电梯的种类
电梯的主参数包括它的额定载重和额定速度,电梯的种类可以划分为多种:
- 1. 按用途分为(乘客、载货、客货、医用、住宅、杂货、观光、运输、消防、防爆、家用)电梯。
- 2. 按速度分为(低速、快速、高速、超高速)电梯。
- 3. 按拖动方式分为(直流电梯、交流电梯、双速电梯、三速电梯、齿轮齿条电梯)。
其实广义来说也就是垂直提升梯和手扶梯两种,只不过垂直提升梯种类较多。
三、电梯结构
电梯总共有8大系统:曳引系统、导向系统、轿厢、门系统、重量平衡系统、电力拖动系统、电气控制系统和安全保护系统。
(电梯结构图解)
四、垂直提升电梯可能会发生的事故隐患和故障
1.轿厢失控、超速运行
由于电磁制动器失灵,减速器中的涡轮蜗杆的轮齿、轴、销、键等折断以及曳引钢丝绳在曳引绳槽中严重打滑,那么正常的制动手段已经无法使电梯停止运行,导致轿厢失去控制,运行速度超过极限速度,即额定速度的115%,产生危险。
2. 冲顶或蹲底
当上下端限位装置失灵或电梯失控时,造成电梯冲向井道顶部或底部,称之为冲顶和蹲底。
3. 关门障碍
在电梯关门时,受到人或物体的阻碍,使门无法关闭。
4. 非正常运行
由于控制电路出现故障,安全钳动作误动作或电梯停电等原因,都会造成电梯突然停止。
5. 不安全运行
由于限速器失效、选层器失灵、层门、轿门不能关闭或关闭不严或超载,电动机断相、错相等状态下电梯停止运行。
针对这些故障和隐患,电梯都有相应的安全开关和安全部件来防止这些危险的发生。
(有机房电梯与无机房电梯结构区别)
五、电梯的安全部件和安全开关
1.限速器
限速器是在电梯的超速装置中用来限制轿厢或对重下降速度的,是超速保护装置中一个重要组成部分。它可根据轿厢的运行速度进行正常状态下的旋转和非正常状况下的限速保护,通过电器和机械动作,使电梯停止运动或使安全钳动作制停轿厢于导轨上。
2. 安全钳
安全钳是电梯超速保护装置中直接用于对超速下滑的轿厢或对重进行制动的安全装置。安全钳装置装设在轿厢架或对重架上,它由两部分组成,即制停机构和操纵机构。制停的机构叫做安全钳,它的动作是使轿厢或对重停止,夹持在导轨上。
3. 缓冲器
缓冲器是电梯的最后一道机械安全装置,它安装于底坑内。当轿厢或对重发生蹲底或冲顶时用来吸收轿厢或对重动能的一种缓冲安全装置。它的种类分为蓄能型缓冲器和耗能型缓冲器2种。
4. 层门锁紧装置与验证门扇闭合装置
为了防止坠落和剪切事故,层门由门锁锁住,使人在层站外不能用开锁装置无法将层门打开。门锁是机电联锁装置,层门上锁闭装置(门锁)的启闭是由轿门通过门刀来带动的。层门是被动的,轿门是主动的,层门的开闭是由轿厢上的轿门门刀插入(夹住)层门滚轮,使其锁臂脱钩后跟轿门一起运动。
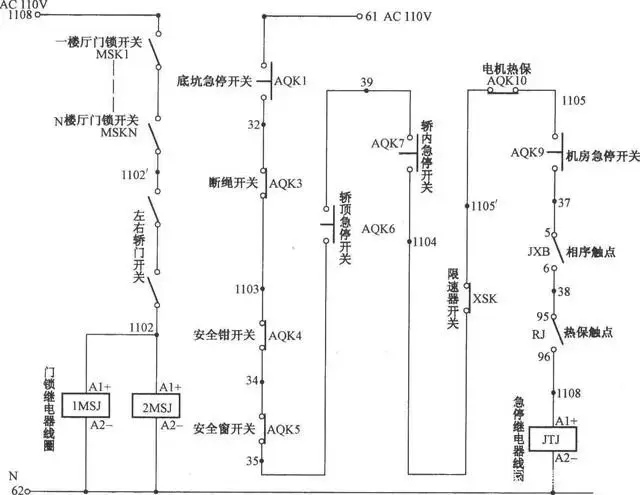
5.电梯的安全电路和安全开关
安全回路 作用:为保证电梯能安全地运行,在电梯上装有许多安全部件。只有每个安全部件都在正常 的情况下,电梯才能运行,否则电梯立即停止运行。
- 机房:控制屏急停开关、相序继电器、热继电器、限速器开关
- 井道:上极限开关、下极限开关(有的电梯把这两个开关放在安全回路中,有的则用这两个开关直接控制动力电源)
- 地坑:断绳保护开关、地坑检修箱急停开关、缓冲器开关 轿内:操纵箱急停开关
- 轿顶:安全窗开关、安全钳开关、轿顶检修箱急停开关
- 所谓安全回路,就是在电梯各安全部件都装有一个安全开关,把所有的安全开关串联,控制一只安全继电器。只有所有安全开关都在接通的情况下,安全继电器吸合,电梯才能得电运行。
- 故障状态:当电梯处于停止状态,所有信号不能登记,快车慢车均无法运行,首先怀疑是安全回路故障。应该到机房控制屏观察安全继电器的状态。如果安全继电器处于释放状态,则应判断为安全回路故障。

(电梯安全回路示意图)
六、电梯的其他安全保护装置
1.紧急救援装置
紧急救援装置,包括曳引机的紧急手动操作装置和层门上的人工开锁装置。如果层站不设门时,可以打开轿厢顶部设有的安全窗,安全窗可以从轿厢内部打开。
2. 报警装置
电梯内安装有应急照明和报警装置,并有应急电源供电电源。轿厢内,设置了内部报警电话或维修电话、安全说明等。
3. 检修运行装置
检修运行装置是为了便于检修和维护设立的。安装于轿厢顶部或其他地方,方便发生故障时,电梯维保技师来对电梯进行检修和操控。
4消防功能
发生火灾时,井道往往是烟气和火焰蔓延的通道,而一般层门在70摄氏度以上就不能正常工作。为了成员的安全,在发生火灾时,所有电梯会停止应答召唤信号,直接返回撤离层站,即具有火灾自动返反基站功能。
5.轿顶、底坑和对重防护栏
轿顶、底坑和对重防护栏都设有安全防护栏,可防止维修人员不慎掉入井道或被对重伤及。
6. 轿厢护脚板
轿厢不平层,当轿厢(地坎)地面位置高于层站地面时会使轿厢与层门地坎之间产生间隙,这个间隙会使乘客的脚踏入井道,发生人身伤害的可能。为此增设了护脚板,护脚板可以起到防护作用。护脚板用两毫米厚的铁板制成,呈倾斜状,装于轿厢地坎下侧,且用扁铁制成,加强了机械强度。
七、自动扶梯种类

(自动扶梯)
自动扶梯是以电力驱动,在一定方向上能够大量、连续运输乘客的开放式运输机械。它分为普通型(每周运行少于140h)和公共交通型(每周运行大于140h)。
八、自动扶梯结构
自动扶梯由桁架、驱动减速机、驱动装置、张紧装置、导轨系统、梯级链或齿条、扶栏扶手带以及各种安全装置组成。

(自动扶梯结构示意图)
九、自动扶梯的安全保护装置
自动扶梯及自动人行道的安全性非常重要,国家标准对所需的安全装置有明确的规定。安全装置的主要作用是保护乘客,使其免于潜在的各种危险(如乘客疏忽大意造成的危险,以及各种电器故障和机械故障所造成的危险)。其次,安全装置对自动扶梯和自动人行道设备本身具有保护作用,能把事故对设备的破坏性降到最低;另外安全装置也使事故对建筑物的破坏程度降到最小。自动扶梯常见的安全装置图如下。
1. 制动器
制动器用于扶梯停止运行时提供制动力,一般安装于减速器的高速轴上。紧急制动时的减速,关系到乘客的安全。因此动作时要减速必须有要求。减速的大小与扶梯运行时的质量(空载或满载)有关,而减速度的大小反应在制停的距离上。
2. 急停按钮
在自动扶梯上下入口处有设急停装置,遇到突发事件可以使用紧急停止装置。
3. 错相、缺相保护
当供电电源错相、欠相或反相时,保护装置能自动检测并切断电路使扶梯停止运行,只有当开关手动复位后,扶梯方可运启动,否则不能工作。
4. 过载保护
电梯有防止过载的安全装置,一旦超载或者就会安全装置就会动作,切断电机的供电。
5.速度监控装置
速度监控装置在自动扶梯和人行的人行道运行速度超过额定速度的1.2倍时,就会动作使自动扶梯或人行道停止。
6.梳齿异物保护装置
一旦有异物卡阻疏齿时,梳齿板就会向后或向上移动,利用一套机构使拉杆向后移动,从而使安全开关动作,达到断电停机的目的。
7. 裙板保护开关
自动扶梯正常工作时,裙板与梯级间保持一定间隙,单边不大于4毫米,两边之和不小于7毫米,为保证乘客乘行自动扶梯安全,在裙板的背面安装了c型钢板,离c型钢板一定距离处,设有开关,当异物进入裙板与梯级之间的缝隙后,裙板发生变形,c型钢板也随之移动达到一定位置,触碰到开关之后自动扶梯就立即停止。
8. 梯链级异常保护装置
梯级链设有两个安全开关,当梯级链过度伸长,不正常收紧、断链时,保护装置使扶梯停止。
9.非操作逆向安全装置
扶梯采用电子传感器进行测速,当检测到扶梯速度过低时,有可能发生逆转时,扶梯停止运动。
10.扶手带进入口安全装置
一旦有异物从扶手带的刷毛进口进入时,触及安全开关后—开关动作,达到断电停止的目的。
11.梯级下陷保护
梯级是载人的重要部件,一旦发生支架断裂、主轮破裂、踏板断裂等现象时,会造成梯级下沉故障,将发生重大人身伤亡事故。所以一旦发生故障,下沉部位碰及检测杆,使检测杆摆动带动轴旋转到一个角度,轴上的凹块也随之旋转到一个角度,伸入凹块的安全开关触头动作,从而达到断电停机。
12.梯级运行安全装置
在扶梯上下转弯部,装设梯级运行安全微动开关,当检测到梯级滚轮运行轨道异常时,扶梯停机。
13.扶手带断裂安全保护装置
当扶手出现意外的断裂,微动开关动作,切断控制回路,扶梯停止。
14.附加急停按钮
扶梯提升高度大于12米时,在扶梯中部配置附加急停按钮,当出现异常时可按下,令扶梯停止。
十、什么是电梯维修人员?

(电梯维保人员)
1.电梯维保内容
电梯维保员,24小时随时待命,手机必须开机,工资不高却每天顶着(安全、速度、效率)的宗旨和12分精神在工作。谁都知道拿钱干活是理所当然的,你知道他们干了些什么活吗?是不是在你们想象里,电梯维保员只是电梯坏了修修电梯就行了?半夜三更起来工作,有人理解过吗?闯红灯急着去维修,有人担心过他们的安危吗?每一次电话响起,精神就紧绷,第一反应是电梯故障或关人。您能安全的乘坐电梯,是因为有一群日夜兼程的人,在为您守护,为您服务,只是想换来您的安全乘梯及尊重。
2.电梯维保工作
国家规定,每台电梯15天必须保养一次(称半月维保),扫灰、检修、润滑,1-2个小时就没有了,还有季度保、半年保、一年保,还有年检,时间更长。一台电梯几个小时才能检修完,一个人手上平均60台电梯,一个月120次保养,一台电梯2个小时,就是240个小时,每天8个小时,一个月一天不能休息才能干完,这个是维保。还有维修呢?有些电梯故障我们通宵达旦地修,您见过吗?每个电梯人还可能应为维修失误背负刑事责任。为了能使大家安全舒适乘坐电梯,就是他们的工作的动力。
十一、电梯使用须知

- 1.乘坐电梯,如需上楼请按↑,下楼请按↓。
- 2. 等候电梯时,请离开电梯门至少30cm。
- 3.电梯来,遵循先出后入的原则。
- 4.请勿超载,如超载铃声响,请后进者退出。
- 5.请及时按楼层按钮,灯亮即可,切勿重复。
- 6.如需关闭,请按><,需保持则按住<>。
- 7.到达后,耐心等待门完全开启,先观察,再走。
- 8.遇到故障,请按警铃或者拨打求助电话。




